Zoloto
Zoloto
Zoloto

Product Name

Bronze Vertical Check Valve (Screwed)

Article Code

1009

1009

Bronze Vertical Check Valve (Screwed)

Salient Features
  • Screwed Female Ends to IS 554 / BS 21 / ISO 7.
  • Single Piece Design, Integral Seat.
  • Meant for Vertical Lines Only.
  • Permits flow in one direction and shuts automatically if the flow reverses.
  • Spring Loaded and ‘O’ Ring Type.
  • Also available with metal to metal seating.

Test Pressure (Hydrostatic) :
Shell : 25 kg/cm²g (350 psig)
Seat : 16 kg/cm²g (225 psig)
Maximum Working Temperature : 80°C

Download PDF
1009 Bronze Vertical Check Valve (Screwed)
Suitable For

Steam

Water

Oil

Air

Gases

1009 Bronze Vertical Check Valve (Screwed)
Salient Features
  • Screwed Female Ends to IS 554 / BS 21 / ISO 7.
  • Single Piece Design, Integral Seat.
  • Meant for Vertical Lines Only.
  • Permits flow in one direction and shuts automatically if the flow reverses.
  • Spring Loaded and ‘O’ Ring Type.
  • Also available with metal to metal seating.

Test Pressure (Hydrostatic) :
Shell : 25 kg/cm²g (350 psig)
Seat : 16 kg/cm²g (225 psig)
Maximum Working Temperature : 80°C

Suitable For
Steam Water Oil Air Gases
Download PDF
Materials
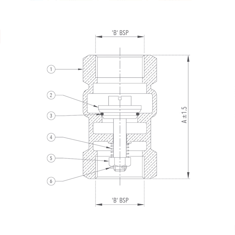
P.No. Name of Part Material of Construction Specification Quantity
1 Body Bronze IS 318 Gr. LTB 2 1
2 Disc Bronze IS 318 Gr. LTB 2 1
3 ‘O’ Ring Nitrile Rubber IS 5192 – 1 1
4 Spring Stainless Steel Type 304 1
5 Disc Nut Brass – – – 1
6 Split Pin Brass – – – 1
1009 Bronze Vertical Check Valve (Screwed)
1009 Bronze Vertical Check Valve (Screwed)
P.No. Name of Part Material of Construction Specification Quantity
1 Body Bronze IS 318 Gr. LTB 2 1
2 Disc Bronze IS 318 Gr. LTB 2 1
3 ‘O’ Ring Nitrile Rubber IS 5192 – 1 1
4 Spring Stainless Steel Type 304 1
5 Disc Nut Brass – – – 1
6 Split Pin Brass – – – 1
Sizes / Dimensions
Size (Inches) Size (mm) A ±1.5 B
1/2 15 55 1/2″
3/4 20 66 3/4″
1 25 76 1″
1 1/4 32 80 1 1/4″
1 1/2 40 85 1 1/2″
2 50 93 2″
2 1/2 65 114 2 1/2″
3 80 118 3″
4 100 141 4″
Download PDF

Selected Product

1009
Bronze Vertical Check Valve (Screwed)

Enter Product Query
Site Credits : Seigospace