Product Name
Cast Iron Globe Steam Stop Valve Angle Pattern (Flanged)
Article Code
Product Name
Article Code
Test Pressure (Hydrostatic) :
Shell : 26 kg/cm²g (370 psig)
Working Pressure (Steam) : 13 kg/cm²g (185 psig)
Maximum Working Temperature : 220°C

| Suitable For |
|---|
|
Steam |
|
Water |
|
Oil |
|
Air |
|
Gases |
Test Pressure (Hydrostatic) :
Shell : 26 kg/cm²g (370 psig)
Working Pressure (Steam) : 13 kg/cm²g (185 psig)
Maximum Working Temperature : 220°C

| Steam | Water | Oil | Air | Gases |
|---|---|---|---|---|
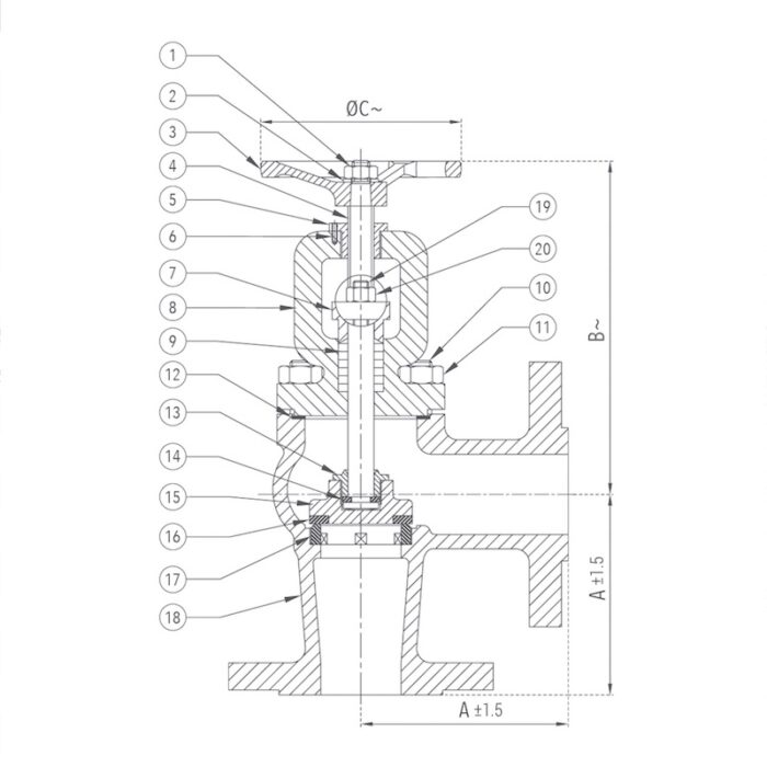
| P.No. | Name of Part | Material of Construction | Specification | Quantity |
|---|---|---|---|---|
| 1 | Nut | Carbon Steel | – – – | 1 |
| 2 | Washer | Carbon Steel | – – – | 1 |
| 3 | Handwheel | Cast Iron | IS 210 Gr. FG 200 | 1 |
| 4 | Stem | Stainless Steel | ASTM 276 Type 410 | 1 |
| 5 | Yoke Bush | Bronze | IS 318 Gr. LTB 2 | 1 |
| 6 | Locking Screw | Carbon Steel | – – – | 1 |
| 7 | Gland Flange | Cast Iron | IBR 86-93 Gr. A | 1 |
| 8 | Bonnet | Cast Iron | IBR 86-93 Gr. A | 1 |
| 9 | Gland Packing | Braided Graphited Asbestos | IS 4687 | – |
| 10 | Studs | Carbon Steel | IS 1367 | As Reqd. |
| 11 | Nuts | Carbon Steel | IS 1367 | As Reqd. |
| 12 | Gasket | Steam Jointing Sheet | IS 2712 Gr. W/3 | 1 |
| 13 | Stem Nut | Stainless Steel | ASTM A 276 Type 410 | 1 |
| 14 | Stem Ring | Stainless Steel | ASTM A 276 Type 410 | 1 |
| 15 | Disc | Cast Iron | IBR 86-93 Gr. A | 1 |
| 16 | Seat Ring | Stainless Steel | ASTM A 276 Type 410 / ASTM A 182 Gr. F6a | 1 |
| 17 | Body Seat Ring | Stainless Steel | ASTM A 276 Type 410 / ASTM A 182 Gr. F6a | 1 |
| 18 | Body | Cast Iron | IBR 86-93 Gr. A | 1 |
| 19 | Nuts | Carbon Steel | IS 1367 | 2 |
| 20 | Bolts | Carbon Steel | IS 1367 | 2 |
| P.No. | Name of Part | Material of Construction | Specification | Quantity |
|---|---|---|---|---|
| 1 | Nut | Carbon Steel | – – – | 1 |
| 2 | Washer | Carbon Steel | – – – | 1 |
| 3 | Handwheel | Cast Iron | IS 210 Gr. FG 200 | 1 |
| 4 | Stem | Stainless Steel | ASTM 276 Type 410 | 1 |
| 5 | Yoke Bush | Bronze | IS 318 Gr. LTB 2 | 1 |
| 6 | Locking Screw | Carbon Steel | – – – | 1 |
| 7 | Gland Flange | Cast Iron | IBR 86-93 Gr. A | 1 |
| 8 | Bonnet | Cast Iron | IBR 86-93 Gr. A | 1 |
| 9 | Gland Packing | Braided Graphited Asbestos | IS 4687 | – |
| 10 | Studs | Carbon Steel | IS 1367 | As Reqd. |
| 11 | Nuts | Carbon Steel | IS 1367 | As Reqd. |
| 12 | Gasket | Steam Jointing Sheet | IS 2712 Gr. W/3 | 1 |
| 13 | Stem Nut | Stainless Steel | ASTM A 276 Type 410 | 1 |
| 14 | Stem Ring | Stainless Steel | ASTM A 276 Type 410 | 1 |
| 15 | Disc | Cast Iron | IBR 86-93 Gr. A | 1 |
| 16 | Seat Ring | Stainless Steel | ASTM A 276 Type 410 / ASTM A 182 Gr. F6a | 1 |
| 17 | Body Seat Ring | Stainless Steel | ASTM A 276 Type 410 / ASTM A 182 Gr. F6a | 1 |
| 18 | Body | Cast Iron | IBR 86-93 Gr. A | 1 |
| 19 | Nuts | Carbon Steel | IS 1367 | 2 |
| 20 | Bolts | Carbon Steel | IS 1367 | 2 |
| Size (Inches) | Size (mm) | A±1.5 | B ~ | ØC ~ |
|---|---|---|---|---|
| 1/2 | 15 | 90 | 150 | 96 |
| 3/4 | 20 | 95 | 154 | 96 |
| 1 | 25 | 100 | 162 | 118 |
| 1 1/4 | 32 | 105 | 176 | 118 |
| 1 1/2 | 40 | 115 | 204 | 150 |
| 2 | 50 | 125 | 223 | 150 |
| 2 1/2 | 65 | 145 | 250 | 180 |
| 3 | 80 | 155 | 275 | 200 |
| 4 | 100 | 175 | 305 | 235 |
| 6 | 150 | 225 | 419 | 350 |
| 8* | 200 | 275 | 475 | 435 |
* Pressure and Temperature for 200 mm Valve is as per PN10 and flanges to PN 10RF.
~ ±10
All Rights Reserved. Zoloto Industries. INDIA